|
<< Click to Display Table of Contents >> Window Frame Analysis and Wizards |
![]() ![]()
|
, ![]()
In this tutorial, wizards and the modeling and calculation of window frame U-values with flixo is explained.
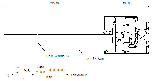
The goal of this tutorial is to make the window frame, which was imported in tutorial 3 for the analysis of the window frame U-value, conform to European Standards. In addition, we will examine correct boundary condition assignment, materials assignment, and the automatic calculation of frame U-value with flixo.
As in the other tutorials, we will go step by step.
